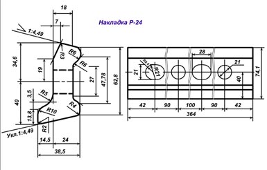
Накладки Р - 24
используются в конструкциях железнодорожного пути для костыльного и пружинного скрепления стыков рельс типа Р - 24. Их изготавливают из полностью раскисленной, спокойной мартеновской стали марки М54, согласно ГОСТ 8141 - 56.
| Накладка Р24 | |
| 1. Вес одной шт. - 4,22 кг |


